🚀 Unlock the Power: 7 Key Insights into the 2003 Isuzu NPR Box Truck Wiring Diagram

Discover the intricacies of the 2003 Isuzu NPR Box Truck Wiring Diagram. Explore a comprehensive guide to wiring and schematics for optimal vehicle understanding. Uncover essential insights now.

Are you ready to unravel the intricate wiring mysteries of the 2003 Isuzu NPR Box Truck? Delve into the heart of electrical systems with our comprehensive guide to the wiring diagram and schematic intricacies that define this iconic truck model. In the world of vehicular craftsmanship, understanding the wiring structure is paramount, and our article is your trusted roadmap. This enlightening exploration will navigate through the essential components, offering clarity on the connections that power the 2003 Isuzu NPR Box Truck. So, gear up for an illuminating journey into the realm of wires and circuits, where every node and pathway unfolds a story of functionality and precision.

Unlock the Power: 7 Key Insights into the 2003 Isuzu NPR Box Truck Wiring Diagram

Understanding the Basics of Wiring Diagrams

Understanding the Basics of Wiring Diagrams

Embark on a journey into the fundamental concepts of wiring diagrams. These visual representations serve as blueprints for electrical systems, illustrating the connections and components that power the 2003 Isuzu NPR Box Truck. Gain a comprehensive understanding of the symbols and conventions employed in these crucial documents, laying the groundwork for more advanced insights.

The Significance of Schematics

The Significance of Schematics

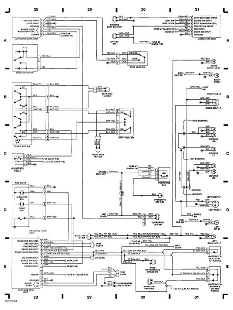
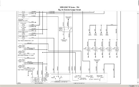
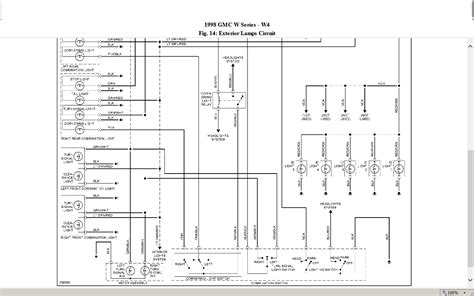
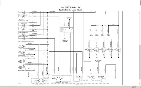
Dive deeper into the realm of schematics as we unveil their significance in understanding the intricate electrical pathways within the 2003 Isuzu NPR Box Truck. These detailed diagrams provide a holistic view of the vehicle's electrical system, offering crucial insights for troubleshooting, repairs, and overall maintenance.

Decoding the Symbols

Decoding the Symbols

Unravel the mystery behind the various symbols that populate wiring diagrams. Icons such as lines, circles, and arrows hold specific meanings, dictating the flow of electricity and the function of each component. Mastering this visual language is essential for anyone navigating the intricacies of the 2003 Isuzu NPR Box Truck's electrical architecture.

Key Components in Focus

Key Components in Focus

Zoom in on the critical components highlighted in the wiring diagram. From the ignition system to the lighting circuits, explore how each element contributes to the overall functionality of the 2003 Isuzu NPR Box Truck. Gain a profound understanding of the roles played by these components in ensuring a smooth and efficient electrical system.

Step-by-Step Troubleshooting Guide

Step-by-Step Troubleshooting Guide

Equip yourself with a step-by-step troubleshooting guide for addressing common issues within the 2003 Isuzu NPR Box Truck's wiring. From identifying faulty connections to diagnosing electrical malfunctions, follow a systematic approach to ensure a reliable and efficient resolution to potential problems.

Advanced Tips for Wiring Modifications

Advanced Tips for Wiring Modifications

For those seeking to customize or upgrade their Isuzu NPR Box Truck's electrical system, explore advanced tips for wiring modifications. Understand the intricacies of integrating new components, enhancing performance, and ensuring compatibility with the existing wiring infrastructure.

Ensuring Safety and Compliance

Ensuring Safety and Compliance

Prioritize safety and compliance as we delve into the measures necessary to uphold industry standards. From proper grounding techniques to adherence to electrical codes, ensure that any modifications or repairs made to the wiring system of the 2003 Isuzu NPR Box Truck meet the required safety regulations.

Resources for Ongoing Learning

Resources for Ongoing Learning

Conclude your wiring diagram exploration by discovering valuable resources for ongoing learning. From online forums to specialized publications, access a wealth of information to stay updated on the latest advancements, troubleshooting techniques, and community insights related to the electrical systems of the 2003 Isuzu NPR Box Truck.

Conclusion:

Thank you for accompanying us on this comprehensive journey through the intricacies of the 2003 Isuzu NPR Box Truck Wiring Diagram. We trust that the insights provided in our exploration of wiring diagrams and schematics have equipped you with a deeper understanding of the electrical framework that powers this iconic vehicle. As you navigate the intricate pathways of the wiring diagram, remember that this knowledge is not only a tool for troubleshooting but also a gateway to customization and optimization of your Isuzu NPR Box Truck's electrical system.

For those embarking on wiring modifications or seeking ongoing learning resources, our commitment to providing reliable information remains unwavering. Stay connected with our platform for future updates, advanced tips, and a wealth of resources aimed at enhancing your expertise in the realm of automotive wiring. Whether you are a seasoned technician or a passionate DIY enthusiast, our dedication to delivering valuable insights on the 2003 Isuzu NPR Box Truck Wiring Diagram ensures that you are well-equipped to navigate the complexities of vehicular electrical systems with confidence and precision.

Keyword:2003 Isuzu Npr Box Truck Wiring Diagram

Related Keywords:Troubleshooting, Wiring Diagram, Electrical System, Isuzu NPR, schematics


0 komentar